https://verena.ru/vyazanie-spicami/dzhemper-s-rukavami-buf-17912/
36/38 (40/42) 44/46
Пряжа Alpaca Classico (60% натуральной шерсти, 40% шерсти альпака; 90 м/50 г) — 200 (250) 300 г коричневой, по 100 (150) 150 г цв. корицы и цв. ржавчины, а также 100 (100) 150 г песочной;
пряжа Textura Soft (42% шерсти, 28% полиакрила, 19% нейлона, 10% шерсти альпака, 1% эластана; 110 м/25 г) — 50 г терракотовой; спицы №4,5 и 5; круговые спицы №5 длиной 80 см; 1 комплект чулочных спиц №5.
Вязать (спицы №4,5) число петель кратно 4 + 2 кромочные.
Лицевые ряды: кромочная, попеременно 2 лицевые, 2 изнаночные, кромочная.
Изнаночные ряды: петли провязывать по рисунку. Следующие узоры вязать на спицах №5.
Лицевые ряды — лицевые петли, изнаночные ряды — изнаночные петли.
Круговые ряды (число петель кратно 11 (12) 13). * 1 лицевая, 9 (10) 11 изнаночных, 1 лицевая, от * постоянно повторять.
По 1 круговому ряду * коричневой, цв. ржавчины, цв. корицы, от * постоянно повторять.
Круговые ряды: * 1 лицевая, 2 изнаночные, 1 лицевая, от * постоянно повторять.
Круговые ряды: попеременно 1 круговой ряд лицевыми, 1 круговой ряд изнаночными.
Начать с 2 рядов лицевой гладью коричневой нитью,
затем * по 4 ряда лицевой гладью песочной нитью, нитью цв. ржавчины, цв. корицы и коричневой,
4 ряда платочной вязкой нитью Textura Soft,
от * повторить еще 2 раза, но при 2-м повторе закончить 8 рядами платочной вязкой нитью Textura Soft = всего 66 рядов.
По 1 ряду * нитью цв. ржавчины, цв. корицы и песочной нитью, от * постоянно повторять.
Рекомендуем выполнять последовательности полос A и B согл. инструкции круговыми рядами, чтобы не обрезать рабочую нить. Если вы предпочитаете вязать рядами в прямом и обратном направлении, следует выполнять на круговых спицах согл. чередованию цветов попеременно по 3 лицевых и изнаночных ряда, т.е. сдвигать петли к требуемой в данный момент рабочей нити.
19 п. х 25 р. = 10 x 10 см, связано лицевой гладью;
20 п. х 28 круг.р. = 10 x 10 см, связано узором кокетки;
19 п. х 28 р. = 10 x 10 см, связано последовательностью цветов и узоров;
23 п. х 28 круг.р. = 10 x 10 см, связано резинкой В (измерять в слегка растянутом виде).

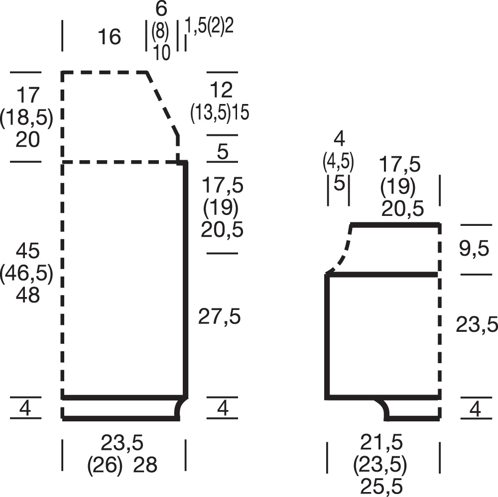
Коричневой нитью набрать на спицы 90 (98) 106 петель и для планки связать 4 см резинкой А.
Продолжить работу лицевой гладью.
Через 45 см = 112 рядов (46,5 см = 116 рядов) 48 см = 120 круговых рядов от планки с обеих сторон протянуть через кромочную соседнюю петлю, оставшиеся 88 (96) 104 п. оставить.
Вязать, как спинку.
Петли спинки и переда набрать на круговые спицы = 176 (192) 208 п. На всех петлях вязать узором кокетки круговыми рядами согл. последовательности полос A.
Для скругления плеча через 5 см = 14 круг.р. от начала вязания кокетки убавить 16 п., для этого в каждой полосе изнаночной глади посередине 2 петли провязать вместе изнаночной (при нечетном числе петель выполнить убавку со смещением на 1 петлю к середине, при четном числе петель средние 2 петли провязать вместе изнаночной) = 160 (176) 192 п. Эти убавки выполнить еще 2 раза в каждом 16-м круг.р. (3 раза в каждом 12-м круг.р.) 4 раза в каждом 10-м круг.р. = 128 п.; в каждой полосе изнаночной глади останется еще 6 петель.
Через 17 см = 48 круг.р. (18,5 см = 52 круг.р.) 20 см = 56 круг.р. от начала вязания кокетки продолжить работу для воротника резинкой В, при этом продолжить последовательность полос A.
Через 3,5 см = 10 круг.р. от смены узора продолжить работу нитью Тextura Soft платочной вязкой.
Через 9 см от смены нити закрыть все петли, как лицевые.
По техническим причинам воротник не учтен на выкройке.
Коричневой нитью набрать на спицы для каждого рукава по 42 (46) 50 петель и для планки связать 4 см резинкой А.
Продолжить работу согл. последовательности цветов и узоров, при этом в 1-м ряду между кромочными удвоить каждую петлю (= из 1 петли вывязать 1 лицевую и 1 лицевую скрещенную) = 82 (90) 98 п.
Через 23,5 см = 66 рядов от планки с обеих сторон протянуть через кромочную соседнюю петлю, оставшиеся 80 (88) 96 п. распределить по 20 (22) 24 п. на 4 чулочные спицы.
Продолжить работу резинкой В круговыми рядами согл. последовательности полос B.
Через 9,5 см = 26 круговых рядов от смены узора свободно закрыть все петли по рисунку.
Уменьшение ширины за счет различной плотности вязания в верхней части рукава изображено на выкройке в виде скоса.
Вшить рукава, выполнить боковые швы и швы рукавов.
Фото: журнал «Сабрина» №11/2018